G profile oven, no power to the display.

Continuing the discussion from Welcome to AppliancePartsPros Community – Read This First:

Have a g e profile oven JD968SOK4SS with no power to the display.The burners workI replaced the main board.Still nothing changed can anyone help?

It sounds like the display has failed. You replaced the main control board, which is what powers the display. Check the ribbon connection from the display to the control, and make sure it is connected properly. The display board is no longer available.

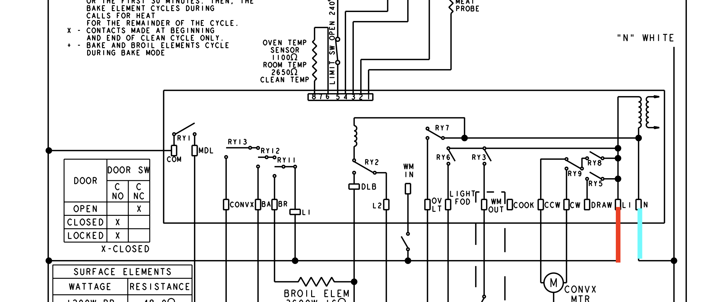
Here is your tech sheet!

31-14487 GE JD968SK4SS Range Mini Manual.pdf (1.2 MB)

I have that sheet, but I still can’t figure out what’s going on with this thing. The display and the main control board are one piece. Power is going in it. But it’s not lighting up. And the burners work

is this the parts number you put in? WB27T10803

Yes yes that’s the part

This should be the part he is talking about that is NLA that plugs in the board you replace.WB27T10890 Used one on eBay> Genuine GE Range Oven, 30" Touch Panel ONLY # WB27T10890 (Board not included) | eBay

I don’t see why that would be the problem cause the main control board which has the display on it is not lighting up. But it has power going into it and no power going to that touchscreen board. You just showed me on eBay.

I guess all the burners on top work? Does oven light work? I am wondering if you missing neutral as the board you replace needs that.Have you check the power from L1 to neutral and you should get 120 volts at the plug at the back of the range?

Well, one thing about the power is there’s 3 wires coming out of the wall and there’s 4 wires on the back of the oven. I don’t know if that could affect anything. The 2 hots are wired to the 2 hots and the ground and the neutral on the oven are going to the other wire coming out of the wall.

All the burners work Yes, I have to check the oven light tomorrow. And what’s the L1 ?I’m novice With this stuff.

Here is a video!https://www.youtube.com/watch?v=PEI1OK-DNuA

On the board you put in you should have 120 volts between L1 and N just like in this screen shot of your wiring diagram.Start with the video first and make sure you have the proper voltage there!

Okay, I’ll give it a shot tomorrow.Get back to you

So I have 120v on L1 and on N. This is the block on mine, not like in the video on the back.It’s on the inside, it’s basically hardwired up into the inside