Brand: GE
**Model Number:**dpgt750gc2ww
Main Symptom: None of the control buttons response. No display showing
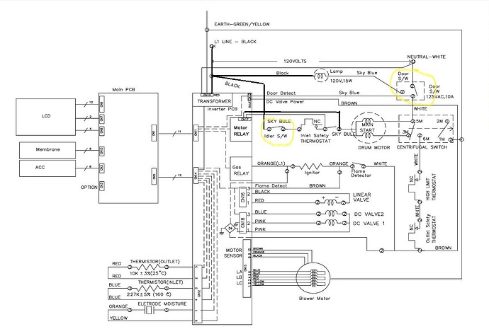
What happens & when: First it made an unusual noise. Then the power went dead. Took apart. I found a broken belt and frozen roller when I took it apart, but don’t think that would cause this problem. Fuse on control board is OK. Looks like it might be the INLET SAFETY THERMOSTAT -130ºC on the diagram but I am not sure which part number that is.
Error Code (if any):
Parts or tests already tried:
Photos / video link:

