Brand: Frigidaire
Model Number:FPCF3091LFA
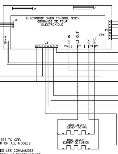
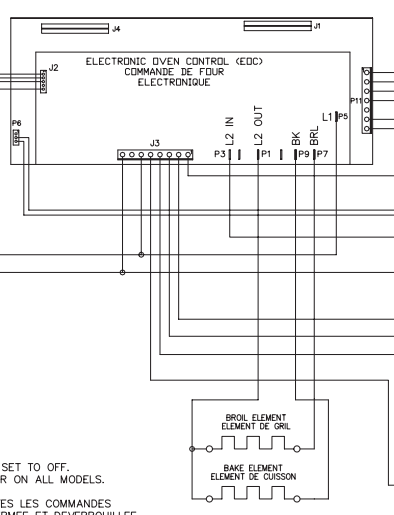
Main Symptom: broiler always on
What happens & when: always
Error Code (if any): none
Parts or tests already tried:
Photos / video link:
My oven turns on the broiler when bake is selected. I don’t believe this is a preheat situation. My research tells me that this is likely a stuck relay on the control board. I’d like to understand if that’s the case and, if so, which board I need.
How do I confirm and which P/N do I need?
