Tearing apart dishwasher

Kenmore dishwasher - Model 16915 from 1991
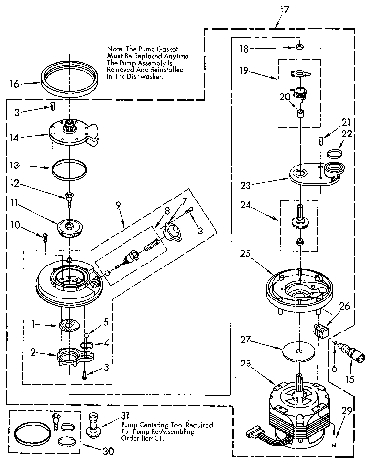
Water did not drain, trying to remove center piece to check for to determine if something has plugged the drain. Removed sprayer arm trying to get into housing to check for blockage. There is a gray metal disk in the middle of the housing, removed the center screw, & loosened the housing screws but can not get the disk up or remove the housing. Anyone out there have any idea what I’m not doing right? Thanks

The model number you posted is incomplete.

Gene.

Thanks for getting back to me. This is a Kenmore Ultra Wash II, the full model listed is 665.16915 91, sr#FB0717269. This is from the unit and the paperwork. I know is doesn’t come up on manual search sites, tried that, I’m quessing it is too old. Hoping to find someone with hands on experience, there can’t be anything too complicated still holding the plate.
Thanks again.
Lyn

Lyn,

Remove the bottom access panel. Even there is no visible water inside the dishwasher, some water is still there. So be prepare to catch it after you remove the drain hose from the pump.

Unscrew the check valve (#15 on the diagram) and clean it inside. If it has to be replaced the check valve AP2910020

Gene.