GE DBXR463ED2WW timed dry works, but autodry timer doesn’t move

GE DBXR463ED2WW electric dryer works in the timed dry cycle, but when I choose autodrying, the timer dial just stays where I start it and doesn’t advance.
The clothes seem to dry in the normal amount of time.

I already replaced the timer, because I hadn’t thought to test timed dry first.
Since the start switch knob was broken I went ahead and replaced both the knob and the switch.
What else can cause the auto dry function to not work on this simple dryer?

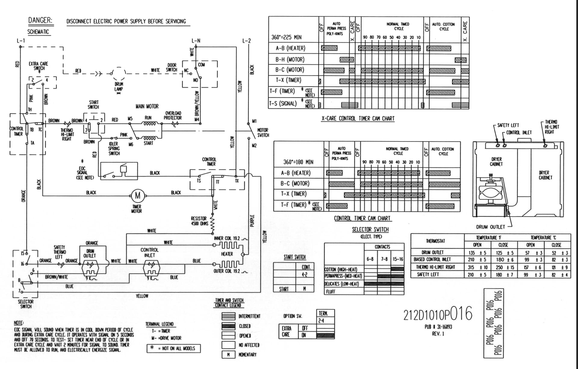
For this issue, there is a resistor that you will need to test. The resistance of this resistor should be 4500 Ohms. If the resistance is incorrect then you would need to replace it.

Also your dryer has 2 heaters.If one burns out this will also affect the auto cycle.Here is a wiring diagram of your model:

You were spot on. One of the heater coils was broken. While it is apart, is there anything else I should consider replacing? The bearing seems ok, and I think I replaced the idler pully 12 or so years ago. It appears ok. The heater kit comes with a new retainer and grounding g strap, I believe.
Maybe the belt?
Are any of the thermostat sensors prone to fail?

Althea timer resistor tests out at 4400 ohms. Is that close enough? Now you will want to check both of your heaters to make sure that they are working.

Yes, that resistance will be good for this resistor.

You were spot on. One of the heater coils was broken. While it is apart, is there anything else I should consider replacing? The bearing seems ok, and I think I replaced the idler pully 12 or so years ago. It appears ok. The heater kit comes with a new retainer and grounding trap, I believe.
Maybe the belt?
Are any of the thermostat sensors prone to fail?

These front bearing parts are known to go bad look at them: DRYER FRONT BEARING WHITE 2PK WE03X37318

DRYER BEARING SLIDE GREEN 2PK WE03X37317

All fixed now! Thanks!

Glad to here you got it fixed!